Pračka se sušičkou BOSCH WKD 28542EU
- AutoDry: šetrně usuší prádlo přesně podle požadovaného stupně sušení.
- Kapacita náplně prádla 7/4 kg: 7 kg praní, 4 kg sušení.
- Program pro sportovní oblečení: ideální pro praní a sušení textilií, jako jsou mikrovlákna, funkční vlákna a syntetika.
- Program noční praní: speciální program, který používá snížené otáčky odstřeďování pro tiché praní v noci.
- Program extra krátký 15': rychlý prací cyklus, který vypere až 2 kg prádla za pouhých 15 minut.
| Kategorie: | Vestavné spotřebiče |
|---|---|
| Záruka: | 2 roky |
| EAN: | 4242002821306 |
| Položka byla vyprodána… | |
-
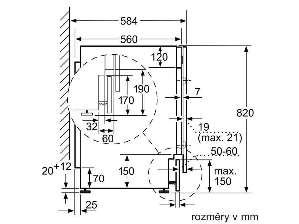
kapacita náplně praní a sušení / praní: 1 - 4 kg / 1 - 7 kg rychlost odstřeďování**: 600 - 1355 ot./min speciální programy: AlergiePlus, extra krátký 15', odstraňování vláken a žmolků, mix, program pro praní v noci, odstředění/odčerpání, sport/fitness, máchání/odstředění, jemné/hedvábí, vlna/ruční praní speciální program: program na odstranění textilních vláken a žmolků tlačítka pro volitelné funkce: start, teplota, druh sušení, volba nastavení, nastavení počtu otáček, odložený start, změna a 24 hod. odložený start AquaStop: záruka značky Bosch v případě poškození vodou - po celou dobu životnosti spotřebiče* velký displej: ukazatel průběhu programu, teploty, nastaveného počtu otáček, zbytkového času a nastavení konce praní až 24 hod. , ukazatel ukončení sušení elektronické ovládání jedním otočným voličem všech pracích a speciálních programů časově řízené programy, funkce AutoDry systém vrchní vody ActiveWater Plus: pro vysoce efektivní využití vody i při menším množství prádla díky automatické detekci naplnění. systém rozpoznání pěny k odstranění nadměrné pěny kontrola nevyváženosti signál na konci programu dětský zámek ovládání skleněný kryt plnícího otvoru závěs dvířek vlevo kovový háček zavírání dvířek elektromagnetický zámek nastavitelná výška soklu: 16.5 cm nastavitelná hloubka soklu: 6.5 cm rozměry (V x Š x H): 82.0 cm x 59.5 cm x 58.4 cm zpředu nastavitelné zadní nožičky plně vestavná
Buďte první, kdo napíše příspěvek k této položce.
Přidat komentář



